|
This is a quick write up on what's needed to install a D16Y8 intake manifold on a D16A6. Other manifold swaps will be similar in nature. Such as a D16Z6 manifold on a D15B7...etc. Consult a Helms manual for intake manifold removal and installation instructions.
Here are some before shots to get the terminology:
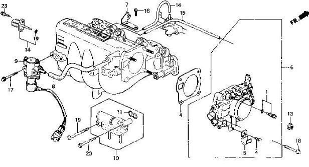
Stock D16A6 intake manifold:
EACV = 10
IAT = 14
FITV = 9
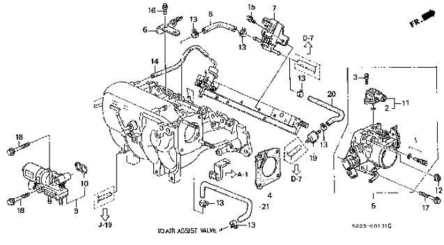
Stock D16Y8 intake manifold:
IACV = 9
MAP = 11
Purge Cut Solenoid = 7
Auto, Manual, Air Injection...What The Hell???
This is a manual tranny version:
Note the 2-wire iacv.
This is an auto tranny version:
Note the 3-wire iacv mounted on the throttlebody. Also the bossed area where the 2-wire iacv(manual) would have mounted if they finished machining it. The only way to use this on a 2-wire iacv system is to finish the machining process by drilling, drilling, drilling and tapping...also a different throttlebody would have to be used. I would not recommend this...just get a manual manifold or a D16Z6 manifold. This manifold is best used as an upgrade for a 96-00 Civic DX, CX, or LX...anyone that came with a D16Y7.
This is general 99-00 version:
Note the air injection on the flange....this will have to be plugged, or you will have a big vacuum leak. Sorry about the shitty picture, when I find a better one I will replace it.
Parts List:
96-98 D16Y8 manifold differs from 99-00 D16Y8 manifold. 99-00 has air injection that will need to be plugged for this application. The difference can be noticed by the top surface next to the injectors. 96-98 is webbed and 99-00 has a flat top. Also manual transmission version has a 2 wire IACV on the back of the manifold where the automatic tranny version has a 3-wire IACV on the throttle body. So if you receive an automatic version the back must be modified to accept a 2-wire IACV...unless you are doing this swap on a D16Y7 were the auto version is preferred since the Y7 already uses the 3-wire IACV.
The following is a parts list for using a 96-98 D16Y8 intake manifold and a 90-91 B18A1 throttle body on a 88-91 OBD0 D16A6.
D16Y8 intake manifold (from manual transmission car)
D16Y8 throttle cable bracket (optional)
D16Y8 fuel rail
D16Y8 fuel pressure regulator
D16Y8 fuel line (optional)
D16Y8 intake manifold gasket
D16Y8 IAT sensor (optional)
D16A6 fuel injectors (get new seals)
B18A1 throttle body
D16A6 throttle body rotor
B18A1 throttle body gasket
NOTE: Read through the Tips section to learn about variations to this parts list.
Tips:
Throttle Body Sizes:
Since the Y8 manifold can use the TB from the B-Series engines I have included a list of different TB's and their respective sizes. As far as I know any B-Series TB and any (USDM) 92+ D-Series TB will bolt to this manifold. Also note that when using certain TB's there may be an extra hole in them for fast idle or such, this can be filled or not, it's the users decision. Also when using a larger TB you may want to port match the manifold since it is easier while off the car.
| Engine |
Size(mm) |
B18C1 |
60 |
B18C (JDM) |
62 |
B18A |
58 |
B18B |
60 |
B16A SiR |
58 |
B16A SiR2 / B16A2 / B16A3 |
60 |
B20B / B20Z |
60 |
F20C |
62 |
F22 / F23 |
60 |
H22A / H23A |
60 |
D15B7 |
56 |
D16A6 |
55 |
D16Y7 / D16Y8 |
56 |
D16Z6 |
56 |
ZC |
55 |
D16A1 |
55 |
D16A8 |
55 |
FITV (Fast Idle Thermo Valve):
The 89-91 A6 intake manifold has it. The Y8 manifold doesn't. Leave it hooked to your A6 manifold and unplug it from the wiring harness. When unplugged it will not trigger a CEL. You will no longer need to use this.
Purge Cut Solenoid Valve:
Don't bother with the one from the Y8 fuel rail'sell it on ebay. Just run a vacuum line to the stock A6 solenoid that is mounted on the firewall.
IACV/EACV (Intake or Electronic Air Control Valve):
Whichever you would like to call it they are the same thing. Up to 91 they are referred to as an EACV, where 92+ is an IACV. The wires may need to be extended a few inches depending on what IACV is used. If your Y8 manifold didn't come with an IACV...you have some other choices. The A6 EACV is a longer style than the Y8 IACV. I am using an IACV from a 97 F22B? SOHC Accord, this is a direct replacement. I also noted that the EACV (picture below) from an 89 A20A3 MPFI Accord (not positive on engine code) will work if installed upside-down (it is originally mounted on the front of the Accord manifold). The IACV (right in picture) from a D15B7 fits, but needs to have part of the tab on the back of the manifold cut off. The plug on the IACV faces the tab so there is no way to plug it in.

Here is a graphical explanation of how the IACV functions...thanks to Helms.
IAT Sensor (Intake Air Temperature):
The IAT on the A6 is bolted into the #1 runner on the manifold. The IAT on the Y8 is in the intake tubing before the throttle body.
When testing the two different style IAT sensors, I noted that both the OBD0 IAT and the OBD2 IAT measured about the same resistances at different temperatures. I tested 2 OBD0 and 1 OBD2 sensors at ~25�F, ~70�F & ~150�F. The error between the OBD0 and OBD2 sensors was the about the same as the error between 2 OBD0 sensors. Therefore an OBD2 IAT sensor (with appropriate wiring plug) may be used instead of the OBD0 sensor.
This picture shows one way to mount the OBD0 sensor. An example of using the OBD2 sensor can be seen from the picture at the beginning. This is done using a 99-00 Civic Si CAI.

No matter which sensor you use, the wiring will have to be lengthened at least 12" and a provision will have to be made in your intake for the IAT sensor...or be ghetto and tape it to your firewall. If you would like to test your IAT here is the resistance - temperature curve straight from the Helms.
Throttle cable bracket & throttle rotor:
Nothing seems to be the perfect setup here. Most people use the Y8 bracket installed upside down. This will work but put the cable at too large of an angle for my tastes. I tried all different brackets and found that the bracket from the 85-87 D15A3 (Civic/CRX Si) worked the best. The bracket must be bent slightly but provided the most direct straight approach for the throttle cable.
When using the B18A1 TB the rotor, where the throttle cable hooks into, needs to be replaced with the A6 one. The B18A1 rotor is large and elliptical shaped, this puts the cable at a very odd angle. Using the A6 rotor solves this problem. The B18A1 rotor for the dashpot works fine and doesn't need replacement. The picture to the above shows my setup.
Vacuum lines:
The vacuum lines must be modified from the stock locations. The diagram below shows the vacuum lines for a D16A6 with a D16Y8 manifold and B18A1 TB. Charcoal canister can even be used!
Coolant Lines:
All coolant lines are run the same as stock. Unless you are using the EACV from the 87 Accord, in which the coolant lines must either not be used or the EACV must be modified. This is because the EACV must be bolted on upside down, and thus the coolant passages are on the top of the EACV.
Also now would be a good time to bypass coolant from the throttle body and IACV all together.
PCV valve:
Run the line right up the middle of the manifold just like stock.
Fuel Line (from filter to rail):
If you can get the D16Y8 fuel line, use it. It is made for that fuel rail and works best...period. If you cant get one the A6 line will work. Also D15B2 & D15B7 fuel lines will work, as I'm sure others will also but are untested.
MAP Sensor (Manifold Absolute Pressure):
The MAP sensor you use will depend entirely on which TB you use. The A6 MAP is located on the firewall and is connected to the TB by a vacuum line. The MAP on the Y8 is located on the TB itself. Therefore, if you use a TB without a MAP sensor on it you can simply run a vacuum line to the stock A6 MAP just like stock. If you use a TB with the MAP located on it, you must lengthen your stock MAP wiring to plug into the TB. Make sure you leave enough slack to compensate for engine movement. To keep with the technical theme, here is another graph to show you how the MAP sensor works. Not important, but interesting nonetheless.

TPS (Throttle Position Sensor):
The TPS from the A6 TB is the same as all the other TPS sensors. Therefore the TPS wiring from the A6 harness will plug directly into any TB. When you cant get your car to idle correctly make sure you calibrate the TPS to factory specs. At wide open throttle there should be 5.0V. When fully closed it should be between 0.45V and 0.5V, I experimented with my setup and found the best setting to be about 0.48V. This may differ for you though. Also since your TB is out you may want to drill slots in the torque-to-yield screws or replace them all together so that adjustment is easy.
Here is a graph of voltage vs. throttle opening to help you see how this works (thanks again Helms).
Manifold Bracket:
I dont use one. As far as I know neither one will work but I never had the Y8 one to try. I also an unsure if there are any other factory Honda brackets that are interchangable. Maybe you can get one to work with modification. If not, just dont jump up and down on the manifold. Do aftermarket manifolds (ie Edelbrock, Skunk2) come with brackets?
|